【产品用途】
刀型闸阀采用全圆形的通道设计,在刀板上端安装有聚四氟乙烯、刮泥器,聚胶脂或含Ni耐磨铸铁制成的耐磨折边锥体安装在刀闸阀的进口端,可在阀体四周设置多个冲洗口。刀板底端加工成刀刃,光洁度高,保证了良好的密封性。广泛满足造纸、纸浆工业、工业污水和城市污水处理、化工厂、飞灰处理、散状物料输送、食品饮料工业的使用要求及工作条件苛放慢的环境条件下。
【产品特点】
1、可提升的闸板密封面,可刮除密封面上的粘着物,自动清除杂物。
2、不锈钢闸板可防止腐蚀引起的密封泄漏
3、可选的整体不锈钢材质,可防止腐蚀破坏
4、结构长度短,节省成本和安装空间,也有效支持管道强度
5、阀体上的导向块使闸板正确运动
6、可任意选用驱动机构
【执行标准】设计规范:GB/T 12234
结构长度:GB/T 12221
连接法兰:JB/T 79
试验与检验:JB/T 9092
压力-温度:GB/T 9131
产品标识:GB/T 12220
【产品型号】
| 材质 | 型号 |
| WCB |
PZ73H-10C,PZ73H-16C |
|---|---|
| 304SS |
PZ73H-10P,PZ73H-16P |
| 316SS | PZ73H-10R,PZ73H-16R |
【产品性能规范】
| 型号 | PZ73H-10 | PZ73H-16 | |
| 公称压力(MPa) | 1.0 | 1.6 | |
| 密封试验压力(MPa) | 1.1 | 1.76 | |
| 壳体试验压力(MPa) | 1.5 | 2.4 | |
| 适用温度(℃) | ≤350℃ | ||
| 材料 | 阀体、闸板、阀盖、支架 | WCB,304SS,316SS | |
| 填料 | 柔性石墨,聚四氟乙烯 | ||
| 手轮 | QT450-10 | ||
| 阀杆螺母 | ZCuA110Fe3 | ||
| 阀杆 | 2Cr13,304SS,316SS | ||
| 垫片 | 柔性石墨,聚四氟乙烯 | ||
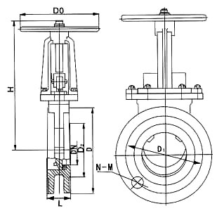
【主要外形连接尺寸】
| DN | L | D | D1 | D2 | H | N-M | D0 |
|---|---|---|---|---|---|---|---|
| 50 | 43 | 160 | 125 | 99 | 285 | 4×M16 | 180 |
| 65 | 46 | 185 | 145 | 120 | 295 | 4×M16 | 180 |
| 80 | 46 | 200 | 160 | 135 | 315 | 8×M16 | 220 |
| 100 | 52 | 220 | 180 | 155 | 365 | 8×M16 | 220 |
| 125 | 56 | 250 | 210 | 185 | 400 | 8×M16 | 230 |
| 150 | 56 | 285 | 240 | 210 | 475 | 8×M20 | 280 |
| 200 | 60 | 340 | 295 | 265 | 540 | 12×M20 | 360 |
| 250 | 68 | 405 | 355 | 310 | 630 | 12×M22 | 360 |
| 300 | 78 | 460 | 410 | 375 | 780 | 12×M22 | 400 |
| 350 | 78 | 520 | 470 | 435 | 885 | 16×M22 | 400 |
| 400 | 102 | 580 | 525 | 485 | 990 | 16×M27 | 400 |
| 450 | 114 | 640 | 585 | 545 | 1100 | 20×M27 | 530 |
| 500 | 127 | 715 | 650 | 609 | 1200 | 20×M30 | 530 |
| 600 | 154 | 840 | 770 | 720 | 1450 | 20×M36 | 600 |
| 800 | 190 | 1025 | 950 | 898 | 2000 | 24×M36 | 680 |
【结构图片】
声明:本文中所有文字、数据、图片均适用于参考,刀型闸阀的具体性能参数、结构尺寸参数、价格等详情,请联系我们的销售、技术工程师,电话:021-5266 6877。

