【产品介绍】
T型过滤器是除去液体中少量固体颗粒的小型设备,可保护设备的正常工作,当流体进入置有一定规格滤网的滤筒后,其杂质被阻挡,而清洁的滤液则由过滤器出口排出,当需要清洗时,只要将可拆卸的滤筒取出,处理后重新装入即可,因此,使用维护极为方便。
【执行标准】
设计规范:HGJ502试验与检验:ASME B16.104
法兰连接:JB/T79、GB9112~9131、HG20592、SH3406、ANSI B16.5
产品标识:GB/T 12220
供货规范:JB/T 7928
【技术参数】
| 公称压力(Mpa) | 实验压力 | 工作温度(℃) | 过滤精度 |
|---|---|---|---|
| 强度(水)(Mpa) | |||
| 1.6 | 2.4 | 350 | 10-480目(一般通水网为18-30目/cm2,通气网为40-100目/cm2,通油网为100-480目/cm2。) |
| 2.5 | 3.75 | ||
| 4.0 | 6.0 |
【主要零件材质】
| 零件名称 | 材质 | ||
|---|---|---|---|
| 阀体 | WCB | CF8 | CF3 |
| 滤网 | 不锈钢 | ||
| 垫片 | 石墨 | PTFE | |
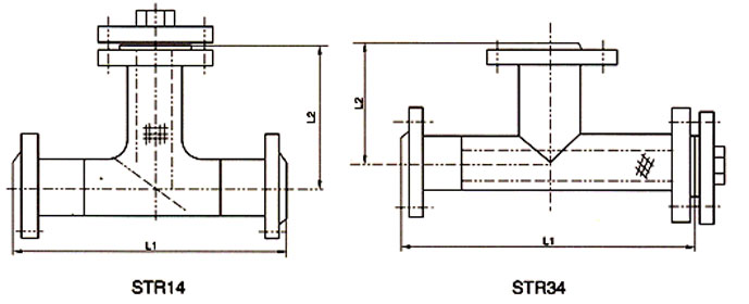
【连接尺寸】
|
公称通径 DN(mm) |
SRT14(直通型) | SRT34(直角型) | ||||
| L1 | L2 | 堵塞 | L1 | L2 | 堵塞 | |
| 50 | 230 | 115 | M14×1.5 | 230 | 115 | M14×1.5 |
| 65 | 260 | 130 | M14×1.5 | 260 | 130 | M14×1.5 |
| 80 | 280 | 140 | M14×1.5 | 280 | 140 | M14×1.5 |
| 100 | 350 | 175 | M14×1.5 | 350 | 175 | M14×1.5 |
| 150 | 450 | 225 | M20×1.5 | 450 | 225 | M20×1.5 |
| 200 | 500 | 250 | M20×1.5 | 500 | 250 | M20×1.5 |
| 250 | 590 | 295 | M20×1.5 | 590 | 295 | M20×1.5 |
| 300 | 680 | 340 | M20×1.5 | 680 | 340 | M20×1.5 |
| 350 | 790 | 395 | M22×1.5 | 790 | 395 | M22×1.5 |
| 400 | 850 | 425 | M22×1.5 | 850 | 425 | M22×1.5 |
| 500 | 1000 | 500 | M22×1.5 | 1000 | 500 | M22×1.5 |
| 600 | 1200 | 600 | M22×1.5 | 1200 | 600 | M22×1.5 |
【结构图片】

声明:本文中所有文字、数据、图片均适用于参考,T型过滤器的具体性能参数、结构尺寸参数、价格等详情,请联系我们的销售、技术工程师,电话:021-5266 6877。

