当前位置:首页 > 阀门产品 > 球阀 > 技术支持热线:021-5266 6877
对焊高压锻钢球阀
人气:
对焊高压锻钢球阀
  • 质量稳定:实行全过程质量监控,细致入微,全方位检测!
  • 价格合理:高效内部成本控制,减少了开支,让利于客户!
  • 交货快捷:先进生产流水线,充足的备货,缩短了交货期!
【产品用途】
QD61N对焊高压锻钢球阀采用侧装锻钢三片分体式阀体结构设计,是专为高压工况设计的,用来取代传统的固定式设计,以节省费用。根据特别需要,该系列阀门也可以根据客户要求设计以满足超低温或高温工况的要求。
【执行标准】
设计规范:GB/T 12237
结构长度:GB/T 12221
连接法兰:JB/T 79,HG20592,GB9113,ANSI
试验与检验:JB/T 9092,GB/T13927
压力-温度:GB/T 9131
产品标识:GB/T 12220
【产品型号】
材质 型号
A105

QD61N-160,QD61N-320

304SS QD61N-160P,QD61N-320P
316SS QD61N-160R,QD61N-320R
【产品性能规范】
对焊高压锻钢球阀性能规范
公称压力(MPa) 16 32
密封试验压力(MPa) 17.6 35.2
壳体试验压力(MPa) 24 33.2
适用温度(℃) ≤80℃
材料 阀体、侧体 WCB,CF8,CF3
球体 304SS,316SS
填料 聚四氟乙烯、柔性石墨
手柄 QT450-10
阀杆 2Cr13,304SS,316SS
密封 尼龙
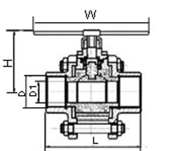
【主要外形连接尺寸】
对焊高压锻钢球阀外形尺寸
公称通径
DN(mm)
尺寸(mm)
L L1 H W D D1
10 150 60 58 220 90 18
15 170 70 62 220 100 23
20 190 80 75 250 110 29
25 205 95 80 250 115 36
32 230 110 96 300 150 43
40 260 120 110 400 170 49
50 330 140 128 400 200 61
65 360 150 180 500 225 80
80 380 160 200 600 270 105
100 430 188 245 800 320 118
【结构图片】
承插焊高压锻钢球阀结构图
声明:本文中所有文字、数据、图片均适用于参考,对焊高压锻钢球阀的具体性能参数、结构尺寸参数、价格等详情,请联系我们的销售、技术工程师,电话:021-5266 6877。