【产品用途】
UJ41H/F型柱塞阀由于密封圈采用新型非金属材料制成,具有经受长期高温、高压而不丧失弹性的性能,而且柱塞与密封圈之间的接触面积大,再者,密封圈系混合材料性能好,因此,密封可靠,经久耐用。主要适用于冶金、电业、化工、炼油、化肥、轻工、食品等行业中。
【产品特点】
1、在阀门中柱塞与密封采用过盈配合,通过调节中法兰螺栓预紧力,使密封环压缩所产生的侧向力与阀体中孔面及柱塞外圆密封 ,从而保证了阀门的密封性,杜绝了外泄漏2、由于密封环采用回弹性强、耐磨性高的无毒新型密封材料,所以密封可靠,经久耐用,从而提高阀门的使用寿命
3、本阀门结合柱塞阀的无泄漏优点和截止阀启闭快的特点,成为一种结构新颖,用途广泛的新品种
【执行标准】
设计标准: GB12233-89、12235-89结构长度:GB12221-89
法兰连接:GB79-59、GB113.1~9113.26
试验与检验:GB13927
【产品型号】
| 材质 | 型号 |
| WCB |
UJ41H-16C,UJ41H-25,UJ41H-40,UJ41HF-64,UJ41H-100 |
|---|---|
| 304SS |
UJ41H-16P,UJ41H-25P,UJ41H-40P,UJ41HF-64P,UJ41H-100P |
| 316SS | UJ41H-16R,UJ41H-25R,UJ41H-40R,UJ41HF-64R,UJ41H-100R |
【产品性能规范】
| 型号 | UJ41H-16 | UJ41H-25 | UJ41H-40 | UJ41H-64 | UJ41H-100 | |
| 公称压力(MPa) | 1.6 | 2.5 | 4.0 | 6.4 | 10.0 | |
| 密封试验压力(MPa) | 1.76 | 2.75 | 6.0 | 7.1 | 11.0 | |
| 壳体试验压力(MPa) | 2.4 | 3.75 | 4.4 | 9.6 | 15.0 | |
| 适用温度(℃) | ≤350℃ | |||||
| 材料 | 阀体、柱塞、阀盖、支架 | WCB,CF8,CF3 | ||||
| 填料 | 柔性石墨,聚四氟乙烯 | |||||
| 手轮 | QT450-10 | |||||
| 阀杆螺母 | ZCuA110Fe3 | |||||
| 阀杆 | 2Cr13,304SS | |||||
| 垫片 | 柔性石墨 | |||||
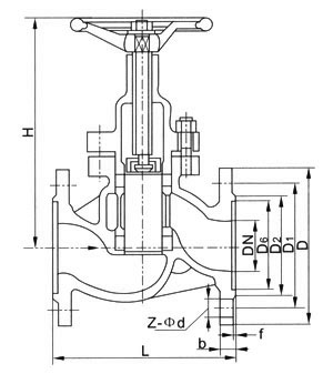
【主要外形连接尺寸】
| 公称压力 | 公称通径 | 主要外形尺寸和连接尺寸 | ||||||
| L | D | D1 | D2 | b | Z-d | D0 | ||
| PN16,PN25 | 15 | 130 | 95 | 65 | 45 | 14 | 4-14 | 80 |
| 20 | 150 | 105 | 75 | 55 | 14 | 4-14 | 100 | |
| 25 | 160 | 115 | 85 | 65 | 14 | 4-14 | 120 | |
| 32 | 180 | 135 | 100 | 78 | 16 | 4-18 | 140 | |
| 40 | 200 | 145 | 110 | 85 | 16 | 4-18 | 160 | |
| 50 | 230 | 160 | 125 | 100 | 16 | 4-18 | 180 | |
| 65 | 290 | 180 | 145 | 120 | 18 | 4-18 | 220 | |
| 80 | 310 | 195 | 160 | 135 | 20 | 8-18 | 240 | |
| 100 | 350 | 215 | 180 | 155 | 20 | 8-18 | 280 | |
| 125 | 400 | 245 | 210 | 185 | 22 | 8-18 | 320 | |
| 150 | 480 | 280 | 240 | 210 | 24 | 8-23 | 350 | |
| 200 | 600 | 335 | 295 | 265 | 26 | 12-23 | 450 | |
| 250 | 650 | 405 | 355 | 320 | 30 | 12-25 | 500 | |
| 300 | 750 | 460 | 410 | 375 | 30 | 12-25 | 560 | |
| 350 | 850 | 520 | 470 | 435 | 34 | 16-25 | 640 | |
| 400 | 950 | 580 | 525 | 485 | 36 | 16-30 | 720 | |
| PN40 | 15 | 130 | 95 | 65 | 45 | 16 | 4-14 | 80 |
| 20 | 150 | 105 | 75 | 55 | 16 | 4-14 | 100 | |
| 25 | 160 | 115 | 85 | 65 | 16 | 4-14 | 120 | |
| 32 | 180 | 135 | 100 | 78 | 18 | 4-18 | 140 | |
| 40 | 200 | 145 | 110 | 85 | 18 | 4-18 | 160 | |
| 50 | 230 | 160 | 125 | 100 | 20 | 4-18 | 180 | |
| 65 | 290 | 180 | 145 | 120 | 22 | 8-18 | 220 | |
| 80 | 310 | 195 | 160 | 135 | 22 | 8-18 | 240 | |
| 100 | 350 | 230 | 190 | 160 | 24 | 8-23 | 280 | |
| 125 | 400 | 270 | 220 | 188 | 28 | 8-25 | 320 | |
| 150 | 480 | 300 | 250 | 218 | 30 | 8-25 | 350 | |
| 200 | 600 | 375 | 320 | 282 | 38 | 12-30 | 450 | |
| 250 | 650 | 445 | 385 | 345 | 42 | 12-34 | 500 | |
| 300 | 750 | 510 | 450 | 408 | 46 | 16-34 | 560 | |
| 350 | 850 | 570 | 510 | 465 | 52 | 16-34 | 640 | |
| 400 | 950 | 655 | 585 | 535 | 58 | 16-41 | 720 | |
【结构图片】
声明:本文中所有文字、数据、图片均适用于参考,柱塞阀的具体性能参数、结构尺寸参数、价格等详情,请联系我们的销售、技术工程师,电话:021-5266 6877。

