【产品用途】
BJ45夹套保温截止阀采用保温夹套设计,利用外部热源在阀门的外部循环加热,可以有效防止介质通过阀门时温度损失,保证介质的温度,主要用于石油、化工、冶金、制药等各类系统中,以输送常温下会凝固的高粘度介质。
【执行标准】
设计与制造:BS1873 BS5160 GB12233法兰尺寸:ANSIB16.5 JB/T79 GB9113
压力温度:ANSIB16.34
结构长度:ANSIB16.10 BS1873 GB12221
对焊连接尺寸:ANSIB16.25
检验与实验:BS6755 GB/T13927
【产品型号】
| 材质 | 型号 |
| WCB |
BJ45H-16C,BJ45H-25,BJ45H-40 |
|---|---|
| 304SS |
BJ45H-16P,BJ45H-25P,BJ45H-40P |
| 316SS | BJ45H-16R,BJ45H-25R,BJ45H-40R |
【产品性能规范】
| 型号 | BJ45H-16 | BJ45H-25 | BJ45H-40 | |
| 公称压力(MPa) | 1.6 | 2.5 | 4.0 | |
| 密封试验压力(MPa) | 1.76 | 2.75 | 6.0 | |
| 壳体试验压力(MPa) | 2.4 | 3.75 | 4.4 | |
| 适用温度(℃) | ≤350℃ | |||
| 材料 | 阀体、阀瓣、阀盖 | WCB,CF8,CF3 | ||
| 填料 | 柔性石墨,聚四氟乙烯 | |||
| 手轮 | QT450-10 | |||
| 阀杆螺母 | ZCuA110Fe3 | |||
| 阀杆 | 2Cr13,304SS | |||
| 垫片 | 柔性石墨 | |||
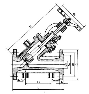
【主要外形连接尺寸】

【结构图片】
声明:本文中所有文字、数据、图片均适用于参考,夹套保温截止阀的具体性能参数、结构尺寸参数、价格等详情,请联系我们的销售、技术工程师,电话:021-5266 6877。

