【产品介绍】
信号蝶阀(即监控阀)是消防工程中ZS系列自动喷水来灭火系统的控制阀,是一种蜗轮传动对夹带有启闭信号装置的蝶阀,具有显示灭水装置水源启闭功能,该阀具有密封性能好、开闭灵活、启闭显示位置准确、可靠、防潮等特点。
【产品特点】
1、带有启闭信号装置2、可显示灭水装置水源启闭功能
【执行标准】
设计标准 GB12238、API609、JIS B2064;结构长度 GB/T15188.2
法兰标准 GB4216、GB9113、GB9115
试验标准 GB/T13927、JB/T9092
【产品型号】
| 材质 | 型号 |
| 法兰式 |
XD341X |
|---|---|
| 对夹式 |
XD371X |
【产品性能规范】
| 公称压力(MPa) | 1.0 | 1.6 | |
| 密封试验压力(MPa) | 1.1 | 1.76 | |
| 壳体试验压力(MPa) | 1.5 | 2.4 | |
| 适用温度(℃) | ≤80℃ | ||
| 材料 | 阀体、蝶板 | HT200 | |
| 填料 | 聚四氟乙烯 | ||
| 手轮 | QT450-10 | ||
| 密封圈 | 丁腈橡胶 | ||
| 阀杆 | 2Cr13 | ||
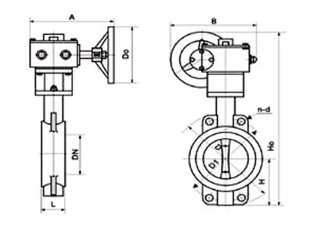
【主要外形连接尺寸】
|
公称通径 |
公称压力 PN(MPa) |
连接尺寸 | 外形尺寸 | |||||
| L | D | D1 | Z-φd | XD371X/J | ||||
| H0 | A | B | ||||||
| 40 | 1.0/1.6 | 43 | 145 | 110 | 4-18 | 295 | 193 | 125 |
| 50 | 43 | 165 | 125 | 4-18 | 306 | 193 | 125 | |
| 65 | 46 | 185 | 145 | 4-18 | 320 | 193 | 125 | |
| 80 | 46 | 200 | 160 | 4-18/8-18 | 345 | 193 | 125 | |
| 100 | 52 | 220 | 180 | 8-18 | 385 | 193 | 125 | |
| 125 | 56 | 250 | 210 | 8-18 | 410 | 193 | 125 | |
| 150 | 56 | 285 | 240 | 8-22 | 445 | 193 | 125 | |
| 200 | 60 | 340 | 295 | 8-22/12-22 | 570 | 283 | 165 | |
| 250 | 68 | 395/405 | 350/355 | 12-22 | 645 | 283 | 165 | |
| 300 | 78 | 445/460 | 400/410 | 12-22 | 740 | 334 | 175 | |
【结构图片】
声明:本文中所有文字、数据、图片均适用于参考,信号蝶阀的具体性能参数、结构尺寸参数、价格等详情,请联系我们的销售、技术工程师,电话:021-5266 6877。

