【产品用途】
D973H、D943H金属硬密封电动蝶阀有开关型和调节型两种,采用一体化结构,接入220VAC电源即可控制运转,也可加入控制模块,输入控制信号(4-20mADC或1-5VDC)进行调节控制。具有功能强,体积小,轻便宜人,性能可靠,配套简单元,流通能力大,对常温、干净介质。
【产品特点】
1.电动蝶阀操作力矩小,是所有阀类中操作力矩最小的一种,是自动化控制系统中仪表的执行单元,以AC220V、AC380V或DC24V电源电压作动力,接受来自(DCS、PLC)系统或调节仪表、操作器等输入的(4-20mA、0-10mA或1-5VDC)电流信号或电压信号,即可控制运转。以角行程输出的扭矩转动阀轴0~90o,就能完成启闭动作或调节动作。全电子式电动执行机构,采用机电一体化结构,具有机内伺服操作和开度信号位置反馈、位置指示、手动操作等功能,功能强、性能可靠、连线简单、控制精确、体积小、重量轻、流阻小、流量系数大,结构简单、密封性能好。调节范围大,通过输入电流信号或电压信号,将此转变成与输入信号相对应的位移,改变阀板的旋转角度(0-90o任意角度),因此一定的输入信号对应一定的转角,实现比例动作,故有较好的调节控制流量等参数。2.采用HL型、3810R型、PSQ型角行程全电子式电动执行机构为O型球阀的驱动装置,机电一体化的结构设计,具有机内伺服操作和开度信号位置反馈、位置指示、手动操作等功能,功能强、性能可靠、连线简单,以AC220V或AC380V电源电压作动力,直接接受统一标准信号(4-20mA DC、0-10mA DC或1-5V DC、0-10V DC),将此转变成与输入信号相对应的位移,以角度位移(0~90o)运动,改变球芯的旋转开度,因此一定的输入信号对应一定的位置开度,实现比例调节动作。(二位开关式接受AC220V或AC380V电源电压作动力,通过电机正反转实现开关动作,并同时输出开关阀位指示信号)。是一种高精度、高性能、高可靠性类产品。
【执行标准】
设计规范:GB/T 12238结构长度:GB/T 12221
连接法兰:JB/T 79,HG20592,GB9113,ANSI
试验与检验:JB/T 9092,GB/T13927
压力-温度:GB/T 9131
产品标识:GB/T 12220
【产品型号】
| 材质 | 型号 |
| WCB |
对夹式:D973H-16C,D973H-25,D973H-40 |
|---|---|
| CF8 |
对夹式:D973H-16P,D973H-25P,D973H-40P 法兰式:D943H-16P,D943H-25P,D943H-40P |
| CF3 |
对夹式:D973H-16R,D973H-25R,D973H-40R 法兰式:D943H-16R,D943H-25R,D943H-40R |
【产品性能规范】
| 公称压力(MPa) | 1.6 | 2.5 | 4.0 | |
| 密封试验压力(MPa) | 1.76 | 2.75 | 4.4 | |
| 壳体试验压力(MPa) | 2.4 | 3.75 | 6.0 | |
| 适用温度(℃) | ≤300℃ | |||
| 材料 | 阀体 | WCB,CF8,CF3 | ||
| 蝶板 | WCB,CF8,CF3 | |||
| 填料 | 聚四氟乙烯、柔性石墨 | |||
| 手轮,手柄 | QT450-10 | |||
| 阀杆 | 2Cr13、304SS,316SS | |||
| 密封 | 不锈钢/司太立 | |||
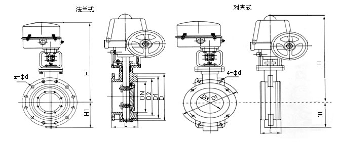
【主要外形连接尺寸】
| 通径 | L | H | 对夹式 | 法兰式 | PN1.0 | PN1.6 | PN2.5 | |||||||||
| 对夹式 | 法兰式 | H2 | A2 | H2 | A2 | D | D1 | Z-d | D | D1 | Z-d | D | D1 | Z-d | ||
| 50 | 43 | 108 | 112 | 625 | 245 | 625 | 245 | 165 | 125 | 4-18 | 165 | 125 | 4-18 | 165 | 125 | 4-18 |
| 65 | 46 | 112 | 115 | 625 | 245 | 625 | 245 | 185 | 145 | 4-18 | 185 | 145 | 4-18 | 185 | 145 | 8-18 |
| 80 | 49 | 114 | 120 | 645 | 245 | 645 | 245 | 200 | 160 | 8-18 | 200 | 160 | 8-18 | 200 | 160 | 8-18 |
| 100 | 56 | 127 | 138 | 675 | 355 | 675 | 355 | 220 | 180 | 8-18 | 220 | 180 | 8-18 | 235 | 190 | 8-22 |
| 125 | 64 | 140 | 164 | 715 | 355 | 715 | 355 | 250 | 210 | 8-18 | 250 | 210 | 8-18 | 270 | 220 | 8-26 |
| 150 | 70 | 140 | 175 | 800 | 355 | 800 | 355 | 285 | 240 | 8-22 | 285 | 240 | 8-22 | 300 | 250 | 8-26 |
| 200 | 71 | 152 | 215 | 850 | 250 | 850 | 250 | 340 | 295 | 8-22 | 340 | 295 | 12-22 | 360 | 310 | 12-26 |
| 250 | 76 | 165 | 243 | 925 | 250 | 925 | 250 | 395 | 350 | 12-22 | 405 | 355 | 12-26 | 425 | 370 | 12-30 |
| 300 | 83 | 178 | 285 | 1035 | 450 | 1035 | 450 | 445 | 400 | 12-22 | 460 | 410 | 12-26 | 485 | 430 | 16-30 |
| 350 | 92 | 190 | 320 | 1070 | 450 | 1070 | 450 | 505 | 460 | 16-22 | 520 | 470 | 16-26 | 555 | 490 | 16-33 |
| 400 | 102 | 216 | 350 | 1190 | 450 | 1190 | 450 | 565 | 515 | 16-26 | 580 | 525 | 16-30 | 620 | 550 | 16-36 |
| 450 | 114 | 222 | 350 | 1250 | 650 | 1250 | 650 | 615 | 565 | 20-26 | 640 | 585 | 20-30 | 670 | 600 | 20-36 |
| 500 | 127 | 229 | 380 | 1290 | 650 | 1290 | 650 | 670 | 620 | 20-26 | 715 | 650 | 20-33 | 730 | 660 | 20-36 |
| 600 | 154 | 267 | 435 | 1455 | 850 | 1455 | 850 | 780 | 725 | 20-30 | 840 | 770 | 20-36 | 845 | 770 | 20-39 |
| 700 | 165 | 292 | 480 | 1585 | 850 | 1585 | 850 | 895 | 840 | 24-30 | 910 | 840 | 24-36 | 960 | 875 | 24-42 |
| 800 | 190 | 318 | 530 | 1700 | 1250 | 1700 | 1250 | 1015 | 950 | 24-33 | 1025 | 950 | 24-39 | 1085 | 990 | 24-48 |
| 900 | 203 | 330 | 595 | 1965 | 1250 | 1965 | 1250 | 1115 | 1050 | 28-33 | 1125 | 1050 | 28-39 | 1185 | 1090 | 28-48 |
| 1000 | 216 | 410 | 650 | 2015 | 1250 | 2015 | 1250 | 1230 | 1160 | 28-36 | 1255 | 1170 | 28-42 | 1320 | 1210 | 28-56 |
【结构图片】
声明:本文中所有文字、数据、图片均适用于参考,D943H电动蝶阀的具体性能参数、结构尺寸参数、价格等详情,请联系我们的销售、技术工程师,电话:021-5266 6877。

